THe place to find the best service manuals on the web, mostly in PDF file format!!!!
You will find most brand here, All GM (Buick, Cadillac, Chevrolet, GMC, Oldsmobile, Pontiac, Saturn), KIA, Hyundai, Porsche, Volkswagen, Suzuki etc!!
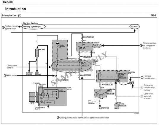
KIA Sorento 2011 OEM Factory Electronic Troubleshooting manual
14.95 USD
Keywords: sorento
File Size: 24.9 MBytes
NO SHIPPING COSt, FREE DOWNLOAD!!!
Cover: KIA Sorento 2011 (2.4L/3.5L)year specific ETM manual.
You are buying a KIA Factory Electronic Troubleshooting manual (not a service manual, see my listing for the service manual), this manual is all the schematic and wiring for that model, its a seperate manual at KIA.
This is the very same manual that your local dealer technician uses in repairing/servicing the electronic part of your vehicle.
This manual covers all Schematics, fuses, all wiring system.
Perfect for the DIY person!!!
file format: PDF with index
Compatibility: Win95/98/ME/XP/vista/7/Linux/MAC
Language: English
Years:11
Keywords: sorento
File Size: 24.9 MBytes
Do you want to become a reseller/affiliate and get 5.0% provision?
| Embed: |
|
KIA Sorento 2011 OEM Factory Electronic Troubleshooting manual
sorento
264868357
14.95
repair4less
Fresh Download
Available!
sorento
264868357
14.95
repair4less
Fresh Download
Available!
