Picture
THe place to find the best service manuals on the web, mostly in PDF file format!!!! You will find most brand here, All GM (Buick, Cadillac, Chevrolet, GMC, Oldsmobile, Pontiac, Saturn), KIA, Hyundai, Porsche, Volkswagen, Suzuki etc!!

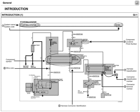
KIA Sorento 2010 OEM Factory Electronic Troubleshooting manual


Product picture KIA Sorento 2010 OEM Factory Electronic Troubleshooting manual

14.95 USD

Buy button

NO SHIPPING COSt, FREE DOWNLOAD!!!

Cover: KIA Sorento 2010 (3.3L and 3.8L)year specific ETM manual (all trims covered like EX,SX)

You are buying a KIA Factory Electronic Troubleshooting manual (not a service manual, see my listing for the service manual), this manual is all the schematic and wiring for that model, its a seperate manual at KIA.

This is the very same manual that your local dealer technician uses in repairing/servicing the electronic part of your vehicle.

This manual covers all Schematics, fuses, all wiring system.

Perfect for the DIY person!!!

file format: PDF with index
Compatibility: Win95/98/ME/XP/vista/7/Linux/MAC
Language: English
Years:10




Keywords: kia
File Size: 40.4 MBytes

Buy button
Do you want to become a reseller/affiliate and get 5.0% provision?
Embed: Create JavaScript Mobile Tag Widgets for your homepage
KIA Sorento 2010 OEM Factory Electronic Troubleshooting manual KIA Sorento 2010 OEM Factory Electronic Troubleshooting manual kia 266406973 14.95 repair4less Fresh Download Available!