THe place to find the best service manuals on the web, mostly in PDF file format!!!!
You will find most brand here, All GM (Buick, Cadillac, Chevrolet, GMC, Oldsmobile, Pontiac, Saturn), KIA, Hyundai, Porsche, Volkswagen, Suzuki etc!!
KIA Optima 2010 OEM Factory Electronic Troubleshooting manual
14.95 USD
Keywords: kia
File Size: 56.1 MBytes
NO SHIPPING COSt, FREE DOWNLOAD!!!
Cover: KIA Optima 2010 year specific ETM manual (all trims covered like EX,SX)
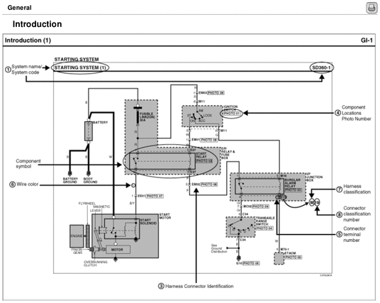
You are buying a KIA Factory Electronic Troubleshooting manual (not a service manual, see my listing for the service manual), this manual is all the schematic and wiring for that model, its a seperate manual at KIA.
This is the very same manual that your local dealer technician uses in repairing/servicing the electronic part of your vehicle.
This manual covers all Schematics, fuses, all wiring system.
Perfect for the DIY person!!!
file format: PDF with index
Keywords: kia
File Size: 56.1 MBytes
Do you want to become a reseller/affiliate and get 5.0% provision?
| Embed: |
|
KIA Optima 2010 OEM Factory Electronic Troubleshooting manual
kia
269689281
14.95
repair4less
Fresh Download
Available!
kia
269689281
14.95
repair4less
Fresh Download
Available!
